RUS
Изменить язык:
  • rusРусский
  • enEnglish
Выбрать раздел
Ереван

Накат на бумагоделательную машину

Накат на бумагоделательную машину
Накат на бумагоделательную машину - фото 1
Обновлено: 5 марта 2026, 13:09 ID: 1774631
9 900 /штука
Условия поставки: EXW Лисаковск
Имбрекс, ТОО Лисаковск, KZ
на Флагма с 23 мая 2017
Даурен Даулет
директор

Описание

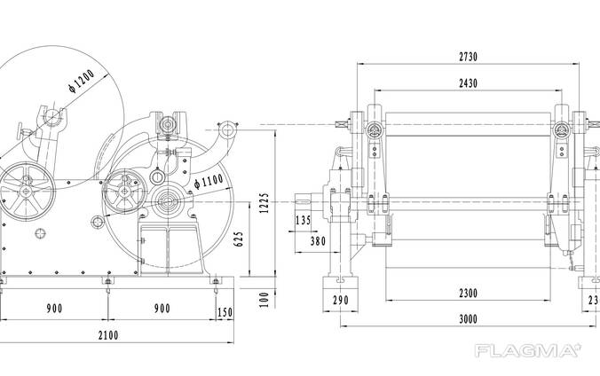
Параметр Значение Примечание
Макс. ширина полотна 2300 мм Позволяет работать с большинством стандартных форматов
Макс. диаметр готового рулона 1200 мм Стандарт «Джамбо-роль»
Диаметр несущего барабана 1100 мм Обеспечивает плотную и ровную намотку
Линейная скорость (раб.) 120–180 м/мин Оптимально для картона и плотной бумаги
Диаметр приводного вала 135 мм Усиленное исполнение для высоких нагрузок
Габариты основания (ДхШ) 2100 х 3000 мм Компактная установка при большой ширине
Тип станины Литая, чугунная Высокое виброгашение и износостойкость

Характеристики

Состояние
Новое
Наиболее свежая информация находится у владельца объявления.
Имбрекс, ТОО Лисаковск, KZ
Работает на Флагма с 23 мая 2017
Даурен Даулет
директор
Контакты
Представитель
Даурен Даулет
директор
Контакты
+7 (707) 714-62-58
Написать
Скажите, что нашли объявление на Флагма
Правила безопасности: Не соглашайтесь на предоплату, если не уверены в надежности пользователя.
Написать сообщение
Имбрекс, ТОО Даурен Даулет, директор
Накат на бумагоделательную машину
9 900 €/штука ID: 1774631
Выбрать раздел
×